High Pressure Sensor PPM-T232E Introduction:
The PPM-T232E is an ultra-high-pressure sensor engineered specifically for extremely high-pressure environments, operating within a range of 150 MPa to 1500 MPa. This high-pressure sensor is constructed from specialized rare metal alloys using advanced manufacturing processes. It features a robust, integrated, all-stainless steel welded package. Incorporating laser temperature compensation technology and high-performance digital processing circuitry, this design ensures reliable, long-term stability under ultra-high pressure conditions.
Ultra-High Pressure Ranges: The PPM-T232E is available in multiple high-pressure ranges – 150 MPa, 300 MPa, 400 MPa, 600 MPa, 800 MPa, 1000 MPa, 1200 MPa, and 1500 MPa – to meet various industrial application requirements.
Long-Term Stability: This high-pressure transmitter features an annual stability error of ≤±0.5% FS, making it suitable for industrial scenarios demanding continuous, long-term operation.
Wide Temperature Adaptability: It operates across a temperature range of -40°C to +85°C, with optional extensions to 125°C or 300°C available to suit various extreme environmental conditions.
Multiple Output Signals: Available outputs for this high-pressure transmitter, such as 0-20 mV and 0-5 VDC (three-wire), allow CSPPM to meet the integration needs of different systems.
| Pressure range | 0-150MPa…1500MPa Optional |
| Allow overload | 120%FS |
| Destruction pressure | 200%FS or 1700MPa,take the smaller value |
| Power supply range | pressure sensor 3-15VDC, pressure transmitter 12-36VDC |
| Signal output | pressure sensor 0-20mV, pressure transmitter 4-20mADC two lines, 0-5VDC three lines,0-10VDC three lines. |
| Accuracy | ±0.25%FS,±0.5%FS,±1.0%FS Optional(Including nonlinearity, repeatability, hysteresis) |
| Stability error | ≤±0.5%FS/Year |
| Operation temp | -40~+85ºC /125ºC/300ºC |
| Compensation temperature | -40~+80ºC /120ºC |
| Storage temperature | -40~+85ºC /125ºC |
| Ingress protection | IP65、IP67 |
| Vibration | 5-1000Hz,Amplitude 2mm, X、Y、Z 30 minutes per direction, Output change is less than 0.1%FS |
| Shock | 50g,X、Y、Z 3 direction, 20ms per direction, Output change is less than 0.1%FS |
| Out cable | Hirschmann connector or aerospace connector, Ø 6mm polyethylene cable directly sealed lead |
| Pressure interface | M20x1.5、M16x1.5、9/16-18UNF thread or user specified |
| Display instrument | PPM-TC1C6(accuracy:0.5%)
PPM-TC1CT(accuracy:0.2%) PPM432-TC1(accuracy:0.05%) |
PPM-T232E ultra-high-pressure transmitter is widely used in various industrial scenarios such as ultra-high-pressure industrial equipment, including:
● Metallurgical machinery
● High pressure water cutting
● High pressure cleaning
● High pressure food machinery
● High pressure waterjet
● Waterjet isostatic press
● Large hydraulic press
● Hydraulic system
● Booster system
● Super high booster pump
● Petrochemical

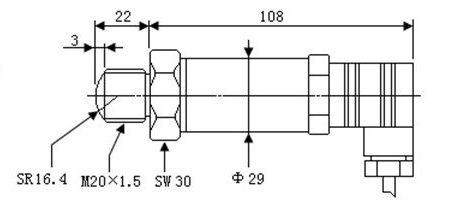
Dimensions in mm
Model 1: The model adopts spherical sealing method; And Electrical connections with L-connector DIN43650

Model 2:The model adopts 58-degree outer cone seal. And Electrical connections with circular connector M12*1

Model 3: The model adopts M20 × 1.5 external thread, And Electrical connections with 2m cable connection

Model 4: The model adopts M20×1.5 or M16X1.5 internal thread with 60 degree inner cone sealing method;


18+ years of focus on R&D and manufacturing of pressure and level sensor
Just tell us your requirements, we can do more than you can imagine.
No. 188, Huanbao Road, Yuhua Zone, Changsha, Hunan, China
+86-731-82561520
info@csppm.com
Subscribe to our newsletter for discounts and more.